現在カート内に商品はございません。
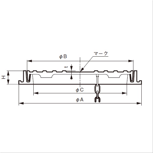
防水ボルトロックタイプも製作可能です。盗難防止用クサリはオプションです。 防臭型、防水型、破壊荷重4000kg用等も製作可能です。 マークも製作可能です。 軽荷重用マンホールです。 防水タイプ(ゴム付)です。 [サイズ]614x614x51mm [本体重量]13700g [材質]FRP ●耐荷重:500kgf 【ご注意】色をご指示ください。納期:受注生産となります。 購入に関する注意事項
※在庫状況等により、稀に商品をご用意できない場合もございます。 その際は、やむをえずご注文をキャンセルとさせていただくことがございますので予めご了承ください。
FRPマンホール MK-PA 500
¥29,040 (税込)
ミニグレビティーヒンジ 90゜ストップ ステンレス製
¥4,510 (税込)
ACEグレビティヒンジ
¥5,720 (税込)
CLOVER(クローバー) つまみ ノブ メタルノブ サークル シルバー
¥440 (税込)
CLOVER(クローバー) つまみ ノブ ガラスノブ ウェイビー
¥550 (税込)
CLOVER(クローバー) つまみ ノブ ウッドレザータッセルノブ
¥715 (税込)
CLOVER(クローバー) つまみ ノブ ガラスノブ アンティークフラワー
CLOVER(クローバー) つまみ ノブ マーブルノブ ホワイト
¥605 (税込)
CLOVER(クローバー) つまみ ノブ マーブルノブ ブルーブラック
CLOVER(クローバー) つまみ ノブ メタルノブ スター
¥385 (税込)
CLOVER(クローバー) つまみ ノブ メタルノブ アンカー