現在カート内に商品はございません。
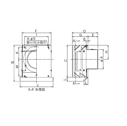
・止水性能が大変優れています。・外風の逆流が非常に少なく安定的な換気ができるため、省エネの一環になります。 [品番/呼称]DS-150TEND-C [サイズ]A:147、B:245、C:220、D:172、E:74、F:197、G:98、H:100、I:170、J:217、K:110 [材質]ステンレス、カチオン電着+シルバー焼付塗装 [仕様]FD付 購入に関する注意事項 ・3メッシュ、5メッシュをご希望の場合はお問合せください。 ご注意 ・塩害地区にご使用の際は別途特別塗装を推奨しております。詳しくはお問い合わせください。 ・FD付、防虫網付商品はメンテナンスができる場所にて使用してください。 ・FD付の100・150は特定防火設備該当品です。 ・防火ダンパー:公称作動温度72℃が標準です。120℃をお求めの場合はお問い合わせください。 ・網付の場合は、標準で10メッシュです。 ・別注にて色指定による塗装も対応できます。ご指示がない場合はツヤ有りとなります。 ・125、175、225、300サイズも製作可能です。お問い合わせください。
※在庫状況等により、稀に商品をご用意できない場合もございます。 その際は、やむをえずご注文をキャンセルとさせていただくことがございますので予めご了承ください。
JIS対応 階段手すり点字標示板 HS-3J-PG
¥6,270 (税込)
一般型・積雪型 物置エルモ LMD-1808
¥187,000 (税込)
サンバリカー LA-8L
¥45,870 (税込)
アルファ キー3本付 南京錠 吊長 1000-40LS-M
¥4,565 (税込)
エクセレントフード 網・FD付 DS-150TEND-C 10M
¥19,470 (税込)
ミニグレビティーヒンジ 90゜ストップ ステンレス製
¥4,510 (税込)
ACEグレビティヒンジ
¥5,720 (税込)
CLOVER(クローバー) つまみ ノブ メタルノブ サークル シルバー
¥440 (税込)
CLOVER(クローバー) つまみ ノブ ガラスノブ ウェイビー
¥550 (税込)
CLOVER(クローバー) つまみ ノブ ウッドレザータッセルノブ
¥715 (税込)
CLOVER(クローバー) つまみ ノブ ガラスノブ アンティークフラワー
CLOVER(クローバー) つまみ ノブ マーブルノブ ホワイト
¥605 (税込)
CLOVER(クローバー) つまみ ノブ マーブルノブ ブルーブラック
CLOVER(クローバー) つまみ ノブ メタルノブ スター
¥385 (税込)
CLOVER(クローバー) つまみ ノブ メタルノブ アンカー