現在カート内に商品はございません。
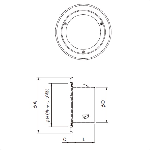
[サイズ]A:143、B:112、C:7、D:97、L:50[本体重量]141.5g [材質]SUS304 [仕上げ]研磨 [適用パイプ]SU100 100×106 購入に関する注意事項 ご注意 ・機構(公団)住宅AE-506-B、公共住宅E-407-B該当品はφ75(SU75用)のみです。 ・各々の商品の蓋の表面には、図のような文字が表記されています。
※在庫状況等により、稀に商品をご用意できない場合もございます。 その際は、やむをえずご注文をキャンセルとさせていただくことがございますので予めご了承ください。
SUS クーラー用スリーブキャップ UK-C100B-DK
¥2,464 (税込)
ミニグレビティーヒンジ 90゜ストップ ステンレス製
¥4,510 (税込)
ACEグレビティヒンジ
¥5,720 (税込)
CLOVER(クローバー) つまみ ノブ メタルノブ サークル シルバー
¥440 (税込)
CLOVER(クローバー) つまみ ノブ ガラスノブ ウェイビー
¥550 (税込)
CLOVER(クローバー) つまみ ノブ ウッドレザータッセルノブ
¥715 (税込)
CLOVER(クローバー) つまみ ノブ ガラスノブ アンティークフラワー
CLOVER(クローバー) つまみ ノブ マーブルノブ ホワイト
¥605 (税込)
CLOVER(クローバー) つまみ ノブ マーブルノブ ブルーブラック
CLOVER(クローバー) つまみ ノブ メタルノブ スター
¥385 (税込)
CLOVER(クローバー) つまみ ノブ メタルノブ アンカー