現在カート内に商品はございません。
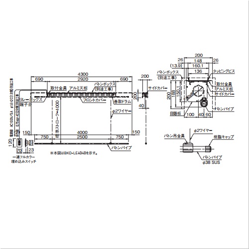
[品番/呼称]BKD-LE2040[重量]17.2kg [バトン仕様]Φ38 BL=2000mm [吊点数]2点 [許容積載荷重]20kg [標準ストローク]4m [適用ボックスサイズ]200mm×200mm×2300mm [制御]DC24V 購入に関する注意事項 ・別注にて、ご希望の色・サイズ・吊下荷重・制御・電源などに対応します。 ・BKD-LEはオプションのボルト吊金具を使う場合、適用ボックスサイズが250×250になります。 ・バトン棒キャップはBKD-LEとBKD-LAの場合、標準ブラックです。BKD-LAHBXの場合、標準ホワイトです。ご希望により、ブラック、ホワイト、グレー、レッド、イエロー、グリーンに変更可能です。詳細はお問い合わせください。 特長 ・BKD-LE:装置を隠すフロントカバー付きです。 ・BKD-LA:埋込ボックスに最適な露出タイプです。 ・BKD-LAHBX:埋込ボックスとバトンをセットにした状態で、出荷するため、組立てや取付けなどの手間を減らせます。 ・小〜中規模の会議室やホールなどで最大20kg以内の看板や垂れ幕に最適です。 ・バトンの昇降位置が変わらないシンメトリー構造です。
※在庫状況等により、稀に商品をご用意できない場合もございます。 その際は、やむをえずご注文をキャンセルとさせていただくことがございますので予めご了承ください。
塩ビスリーブパイプ 50型 SU50×4000L
¥3,069 (税込)
サインストッパー SL-L-1
¥20,130 (税込)
FRPグレーチング用取付金具 FF-1、FF-1R
¥275 (税込)
FRPファイバーグレーチング FRA25-2 受枠
¥14,520 (税込)
電動昇降バトンL BKD-LE2040 フロントカバー付
¥512,600 (税込)
ミニグレビティーヒンジ 90゜ストップ ステンレス製
¥4,510 (税込)
ACEグレビティヒンジ
¥5,720 (税込)
CLOVER(クローバー) つまみ ノブ メタルノブ サークル シルバー
¥440 (税込)
CLOVER(クローバー) つまみ ノブ ガラスノブ ウェイビー
¥550 (税込)
CLOVER(クローバー) つまみ ノブ ウッドレザータッセルノブ
¥715 (税込)
CLOVER(クローバー) つまみ ノブ ガラスノブ アンティークフラワー
CLOVER(クローバー) つまみ ノブ マーブルノブ ホワイト
¥605 (税込)
CLOVER(クローバー) つまみ ノブ マーブルノブ ブルーブラック
CLOVER(クローバー) つまみ ノブ メタルノブ スター
¥385 (税込)
CLOVER(クローバー) つまみ ノブ メタルノブ アンカー