現在カート内に商品はございません。
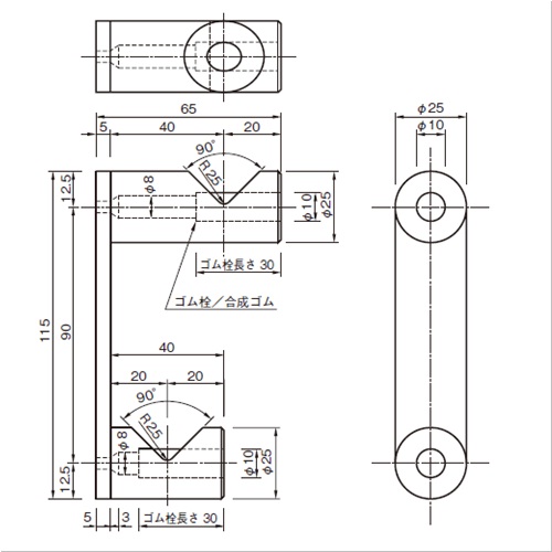
[サイズ]φ25mm×115mm×65mm[本体重量]140g [付属品]SUS十字穴付皿木ネジ3.8×32:2本 [材質]アルミ [仕上]ショットブラスト ●耐荷重:20kgf 購入に関する注意事項
※在庫状況等により、稀に商品をご用意できない場合もございます。 その際は、やむをえずご注文をキャンセルとさせていただくことがございますので予めご了承ください。
フラットフック CR クロームメッキ
¥1,056 (税込)
ホーム床点検口 HDM-15 シルバー
¥3,410 (税込)
カーストッパー ST-500A
¥4,235 (税込)
FRPファイバーグレーチング 正方形 FR040-30 400X967
¥16,720 (税込)
帽子掛 AL-4型
¥4,180 (税込)
ミニグレビティーヒンジ 90゜ストップ ステンレス製
¥4,510 (税込)
ACEグレビティヒンジ
¥5,720 (税込)
CLOVER(クローバー) つまみ ノブ メタルノブ サークル シルバー
¥440 (税込)
CLOVER(クローバー) つまみ ノブ ガラスノブ ウェイビー
¥550 (税込)
CLOVER(クローバー) つまみ ノブ ウッドレザータッセルノブ
¥715 (税込)
CLOVER(クローバー) つまみ ノブ ガラスノブ アンティークフラワー
CLOVER(クローバー) つまみ ノブ マーブルノブ ホワイト
¥605 (税込)
CLOVER(クローバー) つまみ ノブ マーブルノブ ブルーブラック
CLOVER(クローバー) つまみ ノブ メタルノブ スター
¥385 (税込)
CLOVER(クローバー) つまみ ノブ メタルノブ アンカー