現在カート内に商品はございません。
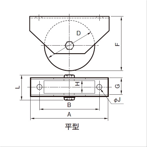
高級機械用ベアリングを使用していますので耐久力に優れています。130mm以上はダブルベアリング入りです。 門扉、工場出入口用扉、各種倉庫用扉などにご使用いただけます。 [サイズ]A300mm、B230mm、D150mm、F175mm、G74mm、H52mm、J20mm、L105mm [本体重量]1.05kg [材質]枠・芯棒:スチール、車:鋳鉄(FC)、鋳鉄(FCD) [仕上]電気亜鉛メッキ ●枠厚:6.0 ●芯棒(ボルト):M18 ●耐荷重(2個あたり):1500kgf ●ベアリング:#6206ZZ 購入に関する注意事項
※在庫状況等により、稀に商品をご用意できない場合もございます。 その際は、やむをえずご注文をキャンセルとさせていただくことがございますので予めご了承ください。
高輝度蓄光 通路誘導標識 SSN962
¥24,200 (税込)
JHM1502 鉄 重量戸車 150 平
¥59,950 (税込)
ミニグレビティーヒンジ 90゜ストップ ステンレス製
¥4,510 (税込)
ACEグレビティヒンジ
¥5,720 (税込)
CLOVER(クローバー) つまみ ノブ メタルノブ サークル シルバー
¥440 (税込)
CLOVER(クローバー) つまみ ノブ ガラスノブ ウェイビー
¥550 (税込)
CLOVER(クローバー) つまみ ノブ ウッドレザータッセルノブ
¥715 (税込)
CLOVER(クローバー) つまみ ノブ ガラスノブ アンティークフラワー
CLOVER(クローバー) つまみ ノブ マーブルノブ ホワイト
¥605 (税込)
CLOVER(クローバー) つまみ ノブ マーブルノブ ブルーブラック
CLOVER(クローバー) つまみ ノブ メタルノブ スター
¥385 (税込)
CLOVER(クローバー) つまみ ノブ メタルノブ アンカー